光成端箱(屋内壁掛型) HOTB-WP0012A
HOTB-WP0012A/Tn/□-□-□-□-□/option
電線事業部
特長
- 多様な接続形態に対応可能です。
- プラスチック製ケースの採用により、小型・軽量化・低価格化を実現しました。
- ケーブル・コードの導入位置が選択可能な屋内壁面・キュービクル内取付タイプです。
- 成端箱内部にあらかじめ光コードを配線(プレ配線)することも可能です。


仕様
| 項目 | 仕様 | ||
|---|---|---|---|
| 型式 | HOTB-WP0012A | ||
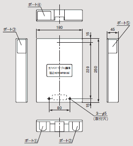
| 寸法 | 180(W)×250(H)×45(D)mm | ||
| 質量 | 約0.6kg | ||
| 色 | マンセル2.5Y9/2 | ||
| 適用ケーブル外径 | φ18mm以下 | ||
| 適用テンションメンバ径 | φ4.5mm以下 | ||
| ケーブル導入条数 | 最大2条(1方向導入) | ||
| 適用コード径 | テープコード | 3.5mm×2.5mm以下 | |
| 単心コード | φ2.8mm以下 | ||
| コード導入本数 | 最大:12本/1導入口 | 組み合わせにより最大:2導入口実装可能 | |
| アダプタ数 | SC形 | 最大:2連式×3個/1導入口 | |
| FC及びST形 | 最大:4個/1導入口 | ||
| 単心線 | 最大15接続(5接続/1トレイ) | ||
| 設置場所 | 屋内壁面、キュービクル内 | ||

品名略号

電線事業部
関連製品一覧
その他の製品・ソリューションを探す
ABOUT US
持続可能な社会を支える高機能材料会社
売上収益
7,686億円
全従業員数
18,877人







